| 品牌 | 新然 | 型号 | Q41N/Q47N | 材质 | A105,F304,F316,F316L |
| 连接形式 | 法兰 | 结构形式 | 浮动球球阀 | 公称通径 | 50-800(mm) |
| 适用介质 | 水,蒸汽,油品,腐蚀性介质等 | 压力环境 | 高压 | 工作温度 | 高温 |
| 标准 | 美标 | 流动方向 | 双向 | 驱动方式 | 客户要求 |
| 零部件及配件 | 多种 | 用途 | 节流 | 类型(通道位置) | 直通式 |
| 作用对象 | 通用 | 3C阀门类别 | 工业 |
|
|
||||||||||||||||||||||||||||||||||||||||||||||||||||||||||||||||||||||||||||||||||||||||||||||||||||||||||||||||||||||||||||||||||||||||||||||||||||||||||||||||||||||||||||||||||||||||||||||||||
|
Q41N高压球阀是用带有圆形通道的球体作启闭件,球体随阀杆转动实现启闭动作的阀门,既正向旋转1/4圈(90°)时,阀关断。反向旋转1/4圈(90°)时,阀开启。球阀的启闭件是一个有孔的球体,绕垂直于通道的轴线旋转,从而达到启闭通道的目的。 新然阀门厂生产的Q41N高压球阀所有部件均为锻件,采用下装式阀杆,设备倒密封结构,采用镶嵌式阀座,阀座背后设备O型圈,确保介质不外漏,密封面采用尼龙1010,它的磨擦系数通常为巴氏合金的1/3,是一种自然滑性材料,但抗弯曲强度和冲击强度及较高的延性,与金属不相上下。 二、Q41N高压球阀主要零部件材料表
三、Q41N高压球阀主要性能规范表
四、Q41N高压球阀主要外形尺寸表
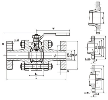
五、Q41N高压球阀主要结构图 |
||||||||||||||||||||||||||||||||||||||||||||||||||||||||||||||||||||||||||||||||||||||||||||||||||||||||||||||||||||||||||||||||||||||||||||||||||||||||||||||||||||||||||||||||||||||||||||||||||
![]() |
||||||||||||||||||||||||||||||||||||||||||||||||||||||||||||||||||||||||||||||||||||||||||||||||||||||||||||||||||||||||||||||||||||||||||||||||||||||||||||||||||||||||||||||||||||||||||||||||||
|
||||||||||||||||||||||||||||||||||||||||||||||||||||||||||||||||||||||||||||||||||||||||||||||||||||||||||||||||||||||||||||||||||||||||||||||||||||||||||||||||||||||||||||||||||||||||||||||||||







































